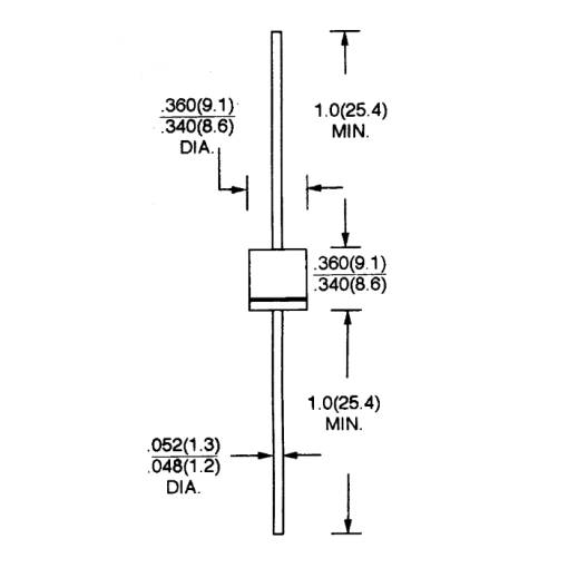
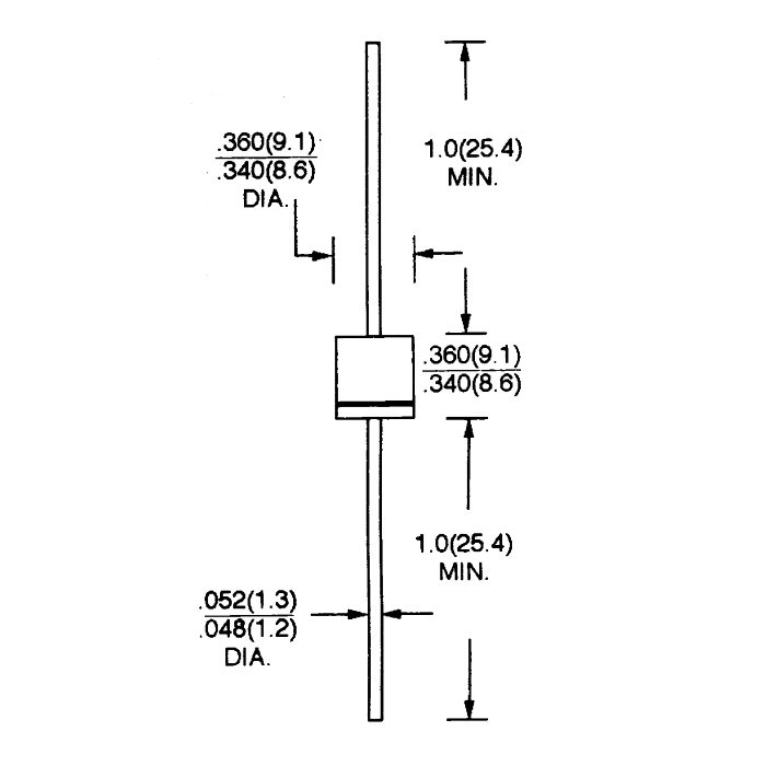
Diodă de redresare universală.
Specificații:
- Carcasă: DO-41
- Curent maxim în direcția directă: 1A
- Curent de impuls în direcția directă: 30A
- Tensiune în direcția directă: 1,1V
- Temperatura de operare: max 150\u00b0C
Ambalajul conține o diodă de redresare 1N4007.
