Releul RF433MHz încastrat permite înlocuirea unui întrerupător sau a unei prize obișnuite cu un dispozitiv inteligent controlat de un buton sau întrerupător RF433 fără fir.
Modulul suportă alimentare 230 V AC și 12 V DC, are un design miniatural și poate gestiona sarcini electrice de până la 16 A (AC) sau 10 A (DC).
Datorită instalării ușoare, conectorilor rapizi și suportului pentru butoanele RF433 fără baterie, este potrivit pentru case inteligente, control suplimentar al luminilor și proiecte DIY.
Avantajele principale ale modulului de releu RF433
- Dimensiune compactă 42 × 42 × 16,5 mm
- Compatibil cu întrerupătoare obișnuite (bistabile)
- Funcționează cu butoane și telecomenzi RF433
Sarcină electrică ridicată
- 16 A la 230 V AC
- 10 A la DC 12–48 V
- Potrivit pentru lumini, prize, motoare și consumatori mai mari
Comunicare RF433MHz
- Rază stabilă și consum redus
- Răspuns instantaneu fără necesitatea Wi-Fi sau a unei punți
Instalare ușoară
- Conectori rapizi pentru montare rapidă
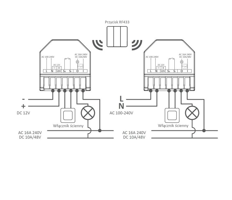
- Conectare directă în cutia de instalație (L + N)
- Suport pentru întrerupătoare tradiționale și butoane RF433
Suport pentru butoane RF433 fără baterie
- Tehnologie piezoelectrică – fără necesitatea unei baterii
- Răspuns instantaneu și durată lungă de viață
- Costuri reduse fără întreținere
Cum funcționează întrerupătorul RF433?
Controlerul RF433 fără baterie generează energie la apăsare prin mecanism piezoelectric.
Acest impuls trimite un semnal la releu, care apoi aprinde sau stinge lumina sau alt circuit.
Ideal pentru locuri fără cabluri sau acolo unde este necesar un întrerupător suplimentar.
Componentele sistemului
- Releu RF433 mini (instalare în cutie)
- Buton RF433 fără baterie
- Întrerupător tradițional (opțional)
Specificații tehnice
Alimentare AC
- Tensiune nominală: AC 230 V, 50/60 Hz
- Alimentare: AC 100–240 V
- Curent releu: 16 A
Alimentare DC
- Tensiune: 12 V DC
- Curent releu: 10 A (12–48 V DC)
Comunicare
- Standard RF: 433 MHz
Parametrii
- Temperatura de funcționare: –10 °C până la +40 °C
- Dimensiuni: 42 × 42 × 16,5 mm
- Buton de asociere pe carcasă
- Indicație LED
- Conectori rapizi cu cleme (0,8–2,5 mm²; decapare 5–7 mm)
- Unghiul maxim de deschidere al clemelor: 30°
Montaj
- Plasați releul în cutia de instalație din spatele întrerupătorului.
- Conectați firele în conectorii rapizi.
- Asociați butonul RF433 conform instrucțiunilor.
- Montati controlerul în locul ales.
De ce să alegi releul RF433 mini?
- Dimensiuni minime cu putere mare
- Independență față de Wi-Fi, router sau aplicație
- Posibilitatea de a adăuga un număr nelimitat de butoane fără fir
- Montaj simplu și întreținere zero
- Ideal pentru lumini, prize, ateliere și construcții
